Москва: +7 (495) 134-29-44
Санкт-Петербург: +7 (812) 213-07-12
Заказать звонок
МЕНЮКАТАЛОГ
ИНТЕРНЕТ-МАГАЗИН "СЕКТОР СБ" ПОСТАВКА СИСТЕМ БЕЗОПАСНОСТИ И СВЯЗИ
0Корзина пуста

ALM-DV-01 ALEKO Прибор приемно-контрольный доступа

ALM-DV-01 Прибор приемно-контрольный доступа
Прибор приемно-контрольный доступа ALM-DV-01
Артикул: sb29358
Производитель: ALEKO
Розничная цена:11 120 ₽/шт.
Оптовая цена:11 120 ₽/шт.

Доставка: по всей России (со склада в Москве или Санкт-Петербурге)

Задайте вопросы менеджеру:

Москва: +7 (495) 134-29-44

СПб: +7 (812) 213-07-12

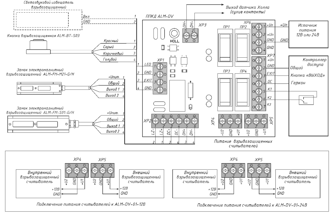
Прибор приемно-контрольный доступа ALM-DV-01 от российской компании ALEKO это печатная плата, которая разработана для встраиваемой установки в контроллеры систем управления доступом, отвечающие за взрывоопасные зоны классов 1, 21, 2 и 22.

Устройство выполняет функцию стабильной синхронизации взаимодействия между взрывозащищенными компонентами СКУД, размещенных внутри взрывоопасных локаций (электрические замки, считыватели карт, контрольные панели) с внешними слаботочными приборами (контроллеры, блоки питания и прочее). Полностью соответствует стандартам п.6 ГОСТ 31610.18-2016, регламентирующим температурные нормы корпусов приборов с типом взрывозащиты «заливка компаундом» для мест размещения с классами опасности 1, 21, 2 и 22. Благодаря этому исключается риск возгорания/детонации газа или пылевоздушных смесей в процессе эксплуатации.

В схеме ППКД ALM-DV-01 предусмотрено использование быстродействующих плавких предохранителей, моментально срезающих подачу электроэнергии при двукратном увеличении нагрузки по сравнению с нормальным значением тока. Кроме того, прибор эффективно снимает остаточное магнитное поле электромагнитных замков после их разблокировки, устраняя возможные проблемы в дальнейшем функционировании. Импульсы напряжения, возникающие при активации замков, ограничиваются безопасным порогом в 36В, предупреждая перегрузку подключенной аппаратуры.

Отдельно стоит отметить наличие светодиодной индикации для замков с датчиками Холла, позволяющей визуально контролировать состояние рабочей поверхности запирающего механизма. При этом на контроллер посредством сигнального выхода («сухой контакт») передается информация о состоянии датчика Холла, что существенно повышает уровень контроля над процессом открывания-закрывания дверей.

Предусмотрено питание постоянным напряжением 12/24В (тип определяется при покупке изделия). Стабильное управление системой, гарантирующее надежность передачи команд и сигналов, на расстоянии до 100 метров.

Подробное описание

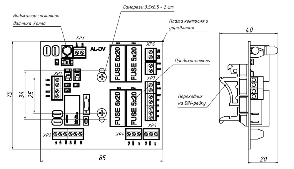
Схема подключения оборудования к ППКД ALM-DV-01

 


Тип устройства прибор приемно-контрольный доступа
Напряжение питания DC 12 В / 24 В (модификация выбирается при заказе)
Потребляемый ток 0.03 А

Дополнительно

Влагозащищенный врезной электромагнитный замок с ручкой
Электромагнитный замок для распашных калиток/ворот. Усилие на взлом = 350 кгс, класс устойчивости U3. Нормально-открытый, управляется внешним сигналом. Влагозащищенный, IP67, О1, рабочие температуры -60°С...+50°С. Монтаж врезной в опорный столб, в комплекте ручка. Четырехжильный кабель длиной 0.5 м. Питание DC 12/24В. Габариты: корпуса 225х42,5х27 мм, якоря 265х73х63 мм, масса 4.7 кг. Серый цвет.
14 310 руб.
-+
В корзину
Влагозащищенный врезной электромагнитный замок с ручкой
Электромагнитный замок для распашных калиток/ворот. Усилие на взлом = 350 кгс, класс устойчивости U3. Нормально-открытый, управляется внешним сигналом. Влагозащищенный, IP67, О1, рабочие температуры -60°С...+50°С. Монтаж врезной в опорный столб, в комплекте ручка. Четырехжильный кабель длиной 0.5 м. Питание DC 12/24В. Габариты: корпуса 225х42,5х27 мм, якоря 265х73х63 мм, масса 4.7 кг. Черный цвет.
14 310 руб.
-+
В корзину
Влагозащищенный электромагнитный замок
Электромагнитный замок для распашных дверей/калиток/ворот. Усилие на взлом = 350 кгс, класс устойчивости U3. Нормально-открытый, управляется внешним сигналом. Влагозащищенный, IP67, О1, рабочие температуры -60°С...+50°С. Накладной монтаж в любых помещениях или на улице. Четырехжильный кабель длиной 0.5 м. Питание DC 12/24В. Габариты: корпуса 225х42,5х27 мм, якоря 235х103х52 мм, масса 4.3 кг. Серый цвет.
12 590 руб.
-+
В корзину
Влагозащищенный врезной электромагнитный замок с ручкой
Электромагнитный замок для распашных калиток/ворот. Усилие на взлом = 350 кгс, класс устойчивости U3. Нормально-открытый, управляется внешним сигналом. Влагозащищенный, IP67, О1, рабочие температуры -60°С...+50°С. Монтаж врезной в опорный столб, в комплекте ручка. Четырехжильный кабель длиной 0.5 м. Питание DC 12/24В. Габариты: корпуса 225х42,5х27 мм, якоря 265х73х63 мм, масса 4.7 кг. Коричневый цвет.
14 310 руб.
-+
В корзину
Влагозащищенный электромагнитный замок
Электромагнитный замок для распашных дверей/калиток/ворот. Усилие на взлом = 350 кгс, класс устойчивости U3. Нормально-открытый, управляется внешним сигналом. Влагозащищенный, IP67, О1, рабочие температуры -60°С...+50°С. Накладной монтаж в любых помещениях или на улице. Четырехжильный кабель длиной 0.5 м. Питание DC 12/24В. Габариты: корпуса 225х42,5х27 мм, якоря 235х103х52 мм, масса 4.3 кг. Черный цвет.
12 590 руб.
-+
В корзину
Влагозащищенный электромагнитный замок
Электромагнитный замок для распашных дверей/калиток/ворот. Усилие на взлом = 350 кгс, класс устойчивости U3. Нормально-открытый, управляется внешним сигналом. Влагозащищенный, IP67, О1, рабочие температуры -60°С...+50°С. Накладной монтаж в любых помещениях или на улице. Четырехжильный кабель длиной 0.5 м. Питание DC 12/24В. Габариты: корпуса 225х42,5х27 мм, якоря 235х103х52 мм, масса 4.3 кг. Коричневый цвет.
12 590 руб.
-+
В корзину
Влагозащищенный электромагнитный замок
Электромагнитный замок для распашных дверей/калиток. Усилие на взлом = 250 кгс, класс устойчивости U2. Нормально-открытый, управляется внешним сигналом. Влагозащищенный, IP65, У1, рабочие температуры -40°С...+40°С. Накладной монтаж в любых помещениях или на улице. Двужильный кабель длиной 0.5 м. Питание DC 12/24В (опция при заказе). Габариты: корпуса 225х42,5х17 мм, якоря 235х103х38 мм, масса 3.4 кг. Серый цвет.
11 930 руб.
-+
В корзину
Врезной электромагнитный замок с герконом
Электромагнитный замок для различных типов дверей толщиной от 45 мм. Усилие на взлом = 630-700 кгс, класс устойчивости U4. Нормально-открытый, управляется внешним сигналом, встроенный датчик контроля положения двери (геркон). IP54, У2, рабочие температуры -40°С...+40°С. Врезной монтаж вертикально или горизонтально. Четырехжильный кабель длиной 0.3 м. Питание DC 12/24В. Габариты корпуса и якоря по 203х30х24 мм, масса 1.5 кг.
30 020 руб.
-+
В корзину
Влагозащищенный электромагнитный замок
Электромагнитный замок для распашных дверей/калиток. Усилие на взлом = 250 кгс, класс устойчивости U2. Нормально-открытый, управляется внешним сигналом. Влагозащищенный, IP65, У1, рабочие температуры -40°С...+40°С. Накладной монтаж в любых помещениях или на улице. Двужильный кабель длиной 0.5 м. Питание DC 12/24В (опция при заказе). Габариты: корпуса 225х42,5х17 мм, якоря 235х103х38 мм, масса 3.4 кг. Белый цвет.
11 930 руб.
-+
В корзину
Врезной электромагнитный замок с герконом
Электромагнитный замок для различных типов дверей толщиной от 35 мм. Усилие на взлом = 360-400 кгс, класс устойчивости U3. Нормально-открытый, управляется внешним сигналом, встроенный датчик контроля положения двери (геркон). IP54, У2, рабочие температуры -40°С...+40°С. Врезной монтаж вертикально или горизонтально. Четырехжильный кабель длиной 0.3 м. Питание DC 12/24В. Габариты корпуса и якоря по 201.5x25x25 мм, масса 1.1 кг.
32 030 руб.
-+
В корзину
Взрывозащищенный электромагнитный замок
Электромагнитный замок для различных дверей. Маркировка взрывозащиты 1Ex mb IIC T5 Gb X / Ex mb IIIC T85°C Db X, эксплуатация в зонах 1, 21, 2 и 22. Усилие на взлом = 350 кгс, класс устойчивости U3. Нормально-открытый, управляется внешним сигналом. Влагозащищенный, IP65, УХЛ1, рабочие температуры -60°С...+50°С. Накладной монтаж в любых помещениях или на улице. Четырехжильный кабель длиной 2 м, ввод для бронированного кабеля. Питание DC 12/24В (опция при заказе). Габариты: корпуса 237х43х28 мм, якоря 187х45х20 мм, масса 7.5 кг.
67 260 руб.
-+
В корзину
Взрывозащищенный электромагнитный замок
Электромагнитный замок для различных дверей. Маркировка взрывозащиты 1Ex mb IIC T5 Gb X / Ex mb IIIC T85°C Db X, эксплуатация в зонах 1, 21, 2 и 22. Усилие на взлом = 350 кгс, класс устойчивости U3. Нормально-открытый, управляется внешним сигналом. Влагозащищенный, IP65, УХЛ1, рабочие температуры -60°С...+50°С. Накладной монтаж в любых помещениях или на улице. Четырехжильный кабель длиной 2 м, ввод для открытой прокладки кабеля. Питание DC 12/24В (опция при заказе). Габариты: корпуса 237х43х28 мм, якоря 187х45х20 мм, масса 7.5 кг.
65 270 руб.
-+
В корзину
Взрывозащищенный электромагнитный замок
Электромагнитный замок для легких дверей. Маркировка взрывозащиты 1Ex mb IIC T4 Gb X / Ex mb IIIC T80°C Db X, эксплуатация в зонах 1, 21, 2 и 22. Усилие на взлом = 180 кгс, класс устойчивости U1. Нормально-открытый, управляется внешним сигналом. Влагозащищенный, IP65, О1, рабочие температуры -60°С...+50°С. Накладной монтаж в любых помещениях или на улице. Четырехжильный кабель длиной 2 м, ввод для прокладки в металлорукаве МРПИ-10. Питание DC 12/24В (опция при заказе). Габариты: корпуса 200х36х22 мм, якоря 124х36х15 мм, масса 2.6 кг.
43 840 руб.
-+
В корзину
Взрывозащищенный электромагнитный замок с датчиком Холла
Электромагнитный замок для легких дверей/окон/шкафов/люков. Маркировка взрывозащиты 1Ex mb IIC T4 Gb X / Ex mb IIIC T80°C Db X, эксплуатация в зонах 1, 21, 2 и 22. Усилие на взлом = 100 кгс, класс устойчивости U0. Нормально-открытый, управляется внешним сигналом, встроенный датчик контроля состояния замка (датчик Холла). Влагозащищенный, IP65, У1, рабочие температуры -40°С...+50°С. Накладной монтаж в любых помещениях или на улице. Четырехжильный кабель длиной 2 м, ввод для открытой прокладки кабеля. Питание DC 12/24В (опция при заказе). Габариты: корпуса 140х36х22 мм, якоря 64х36х10.5 мм, масса 1.7 кг.
45 550 руб.
-+
В корзину
Взрывозащищенный электромагнитный замок
Электромагнитный замок для дверей. Маркировка взрывозащиты 1Ex mb IIC T4 Gb X / Ex mb IIIC T80°C Db X, эксплуатация в зонах 1, 21, 2 и 22. Усилие на взлом = 250 кгс, класс устойчивости U2. Нормально-открытый, управляется внешним сигналом. Влагозащищенный, IP65, О1, рабочие температуры -60°С...+50°С. Накладной монтаж в любых помещениях или на улице. Четырехжильный кабель длиной 2 м, ввод для бронированного кабеля. Питание DC 12/24В (опция при заказе). Габариты: корпуса 200х43х27 мм, якоря 124х43х15 мм, масса 3.4 кг.
57 150 руб.
-+
В корзину
Взрывозащищенный электромагнитный замок с герконом
Электромагнитный замок для легких дверей. Маркировка взрывозащиты 1Ex mb IIC T4 Gb X / Ex mb IIIC T80°C Db X, эксплуатация в зонах 1, 21, 2 и 22. Усилие на взлом = 180 кгс, класс устойчивости U1. Нормально-открытый, управляется внешним сигналом, встроенный датчик контроля положения двери (геркон). Влагозащищенный, IP65, О1, рабочие температуры -60°С...+50°С. Накладной монтаж в любых помещениях или на улице. Четырехжильный кабель длиной 2 м, ввод для бронированного кабеля. Питание DC 12/24В (опция при заказе). Габариты: корпуса 200х36х22 мм, якоря 152х36х15 мм, масса 2.6 кг.
54 510 руб.
-+
В корзину
Влагозащищенный электромагнитный замок
Электромагнитный замок для распашных дверей/калиток. Усилие на взлом = 250 кгс, класс устойчивости U2. Нормально-открытый, управляется внешним сигналом. Влагозащищенный, IP65, У1, рабочие температуры -40°С...+40°С. Накладной монтаж в любых помещениях или на улице. Двужильный кабель длиной 0.5 м. Питание DC 12/24В (опция при заказе). Габариты: корпуса 225х42,5х17 мм, якоря 235х103х38 мм, масса 3.4 кг. Черный цвет.
11 930 руб.
-+
В корзину
Влагозащищенный электромагнитный замок
Электромагнитный замок для распашных дверей/калиток. Усилие на взлом = 250 кгс, класс устойчивости U2. Нормально-открытый, управляется внешним сигналом. Влагозащищенный, IP65, У1, рабочие температуры -40°С...+40°С. Накладной монтаж в любых помещениях или на улице. Двужильный кабель длиной 0.5 м. Питание DC 12/24В (опция при заказе). Габариты: корпуса 225х42,5х17 мм, якоря 235х103х38 мм, масса 3.4 кг. Коричневый цвет.
11 930 руб.
-+
В корзину

Мы ценим вашу конфиденциальность

Мы используем файлы cookie, чтобы улучшить работу сайта, показывать персонализированную рекламу или контент и анализировать посещаемость. Продолжая использовать сайт, вы соглашаетесь на использование файлов cookie. Политика использования файлов cookie