Москва: +7 (495) 134-29-44
Санкт-Петербург: +7 (812) 213-07-12
Заказать звонок
МЕНЮКАТАЛОГ
ИНТЕРНЕТ-МАГАЗИН "СЕКТОР СБ" ПОСТАВКА СИСТЕМ БЕЗОПАСНОСТИ И СВЯЗИ
0Корзина пуста

Каталог товаров

TOA SS-9001 TOA Селектор на 4 зоны

TOA SS-9001 Селектор на 4 зоны
Артикул: sb24679
Производитель: TOA
Розничная цена:28 965 ₽/шт.
Оптовая цена:28 965 ₽/шт.

Доставка: по всей России (со склада в Москве или Санкт-Петербурге)

Задайте вопросы менеджеру:

Москва: +7 (495) 134-29-44

СПб: +7 (812) 213-07-12

TOA SS-9001 – селектор на 4 зоны трансляции 70/100 В, изготовленный в малогабаритном настенном корпусе и предназначенный для построения систем музыкальной трансляции, оповещения и громкой голосовой связи. Прибор снабжен 2 клеммными терминалами для приема управляющих сигналов 24 В DC, 2 входными терминалами для подключения к усилителю и 4 выходами на линии трансляции с максимальной нагрузкой до 240 Вт. Питание получает от внешнего источника 24 В DC или 220-240 В АС через опциональный адаптер AD-246.

Особенности TOA SS-9001

  • 2 отдельных входа от усилителя мощности – для фоновой музыки и речевых сообщений.
  • Подключение 4-х линий трансляционных громкоговорителей напряжением 70/100 В.
  • Внешнее управление сигналом 24 В DC.
  • Входы от усилителя и выхода на линии оповещения реализованы на съемных 2-контактных клеммных терминалах, вход управляющих сигналов - на 10-контактной клеммной колодке.
  • Питание от внешнего источника 24 В DC или 220-240 В АС через опциональный адаптер AD-246.
  • Прочный металлический корпус малых габаритов.
  • Настенное крепление.
  • Возможность скрытого монтажа.
  • Удобный зажим-держатель для кабеля питания.

Подробное описание

Схемы подключения TOA SS-9001

Подключение TOA SS-9001 к усилителям мощности серии 9000

Подключение TOA SS-9001 к усилителям серии 9000

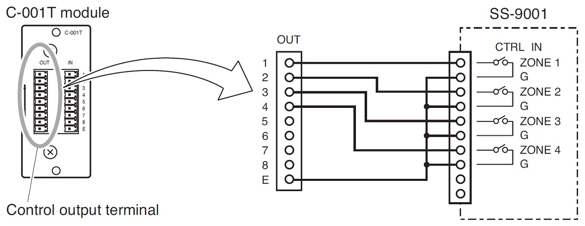
Подключение TOA SS-9001 к модулю C-001T

Подключение TOA SS-9001 к модулю C-001T


Количество выходных линий громкоговорителей 4
Максимальная входная мощность 2х240 Вт
Выходное напряжение 70/100 В
Управляющий сигнал 24 В DC
Входные клеммы съемная клеммная колодка (2 контакта), 2 шт.
Подключение громкоговорителей съемная клеммная колодка (2 контакта), 4 шт.
Вход управляющих сигналов 8 контактов в съемной клеммной колодке (10 контактов)
Питание от внешнего источника 24 В DC или через опциональный адаптер AD-246
Потребляемый ток 120 мА
Материал корпуса сталь
Габариты 112х197х30 мм
Вес 0.53 кг
Диапазон рабочих температур -10...+40 °C
Селектор 1 шт.
Съемная клеммная колодка (2 контакта) 6 шт.
Съемная клеммная колодка (10 контактов) 1 шт.
Зажим шнура питания 1 шт.
Саморез (4х20) 4 шт.

Полезные файлы


Мы ценим вашу конфиденциальность

Мы используем файлы cookie, чтобы улучшить работу сайта, показывать персонализированную рекламу или контент и анализировать посещаемость. Продолжая использовать сайт, вы соглашаетесь на использование файлов cookie. Политика использования файлов cookie