© 2026 ООО «ЮНИТРЕКС»
Все права защищены
Каталог товаров
Доставка: по всей России (со склада в Москве или Санкт-Петербурге)
Задайте вопросы менеджеру:
Москва: +7 (495) 134-29-44
СПб: +7 (812) 213-07-12
ALM-RD-S06-F-RMFEH — это взрывозащищенный бесконтактный считыватель ID-карт доступа производства российской компании ALEKO. Поддерживает форматы Mifare, EM-Marin, HID, Indala. Взрывозащитная маркировка 1Ex mb IIС T5 Gb X / Ex mb IIIC T80°C Db X. Применяется в составе СКУД во взрывоопасных зонах классов 1 и 21.
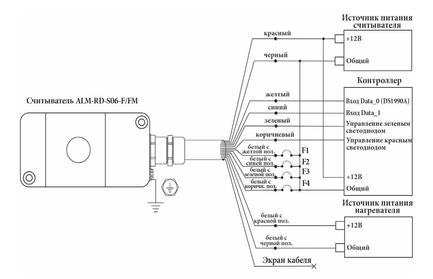
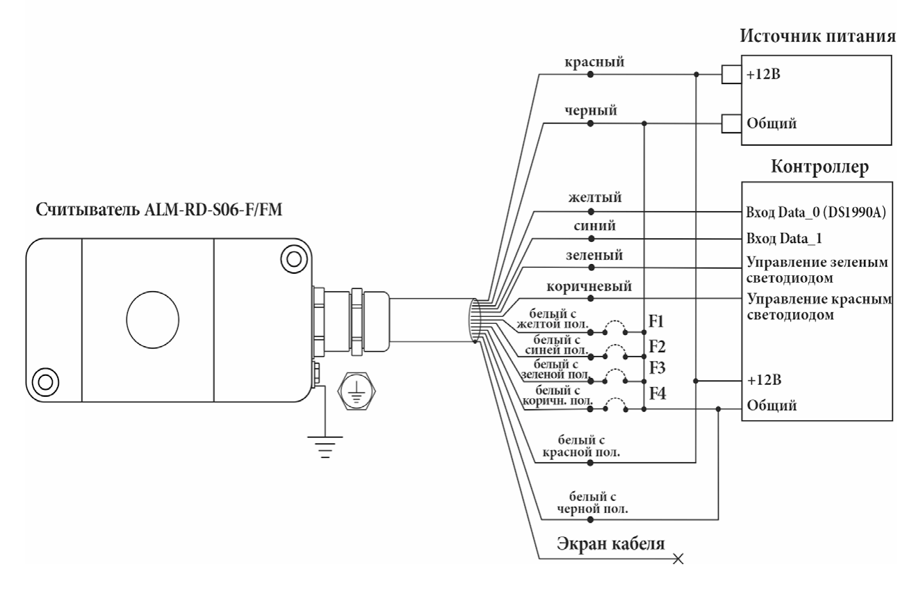
Рабочие частоты 125 кГц и 13 МГц, дальность считывания ID-карт составляет до 3-х см. Предусмотрена световая индикация - в режиме ожидания светодиод горит красным, а при срабатывании мигает зеленым светом. Считыватель работает под управлением контрольного устройства СКУД, поддерживаются интерфейсы подключения Wiegand 26/34/37/40/42/58, 1-Wire (DS1990A) и секторный режим. В качестве контроллера могут выступать приборы различных производителей, дальность размещения считывателя от контроллера зависит от интерфейса: при DS1990A = 15 метров, а с Wiegand - до 100 метров.
Модификация считывателей с литерой "F" в наименовании оснащена встроенным автоматическим обогревателем, который срабатывает в случае фиксации падения температуры окружающей среды ниже -15°С. Корпус имеет климатическое исполнение ХЛ1 согласно ГОСТ 15150-69 и надежно защищен от влаги и пыли на уровне IP67. Температура эксплуатации от -60°С до +45°С, допускается применение в условиях крайнего севера, в том числе на побережье Охотского и подобных ему морей.
Корпус считывателя ALM-RD-S06 выполнен из прочного и легкого алюминиевого сплава со вставкой из материала «Армамид», габаритные размеры 110х60х47 мм, вес 1.3 кг. Питание от источника постоянного тока DC 12В. Подключение производится посредством присоединенного кабеля длиной 1 метр и герметичного кабельного ввода. Тип кабельного ввода определяются при заказе. К выбору доступны следующие варианты кабельных вводов - для открытой прокладки, для прокладки в металлорукаве МРПИ-15, для прокладки в трубе G 1/2" или для прокладки бронированного кабеля. Обращаем ваше внимание, что в случае выбора ввода для бронированного кабеля цена будет выше, чем указано в этой карточке.


| Тип устройства: | Взрывозащищенный считыватель идентификаторов |
| Взрывозащитная маркировка корпуса: | 1Ex mb IIC T5 Gb X / Ex mb IIIC T80C Db X; для зон классов 1 и 21 |
| Форматы идентификаторов: | Mifare, EM-Marin, HID, Indala |
| Рабочие частоты: | 13 МГц и 125 кГц |
| Интерфейсы: | Wiegand 26/34/37/40/42/58, 1-Wire (DS1990A) и секторный режим |
| Расстояние считывания: | До 3 см |
| Удаленность от контроллера СКУД: | DS1990A в пределах 15 м, Wiegand до 100 м |
| Индикация: | Светодиод |
| Напряжение питания: | DC 12 В |
| Встроенный обогреватель: | + |
| Материал: | Специализированный алюминиевый сплав со вставкой из материала «Армамид» |
| Климатическое исполнение: | ХЛ1 |
| Степень защиты от влаги и пыли: | IP67 |
| Рабочие температуры: | От -60 до +45°C, допускается эксплуатация в условиях крайнего севера |
| Габаритные размеры: | 110х60х47 мм |
| Присоединенный кабель: | 1 метр, тип кабельного ввода определяется при заказе |
Полезные файлы
Дополнительно