© 2026 ООО «ЮНИТРЕКС»
Все права защищены
Каталог товаров
Доставка: по всей России (со склада в Москве или Санкт-Петербурге)
Задайте вопросы менеджеру:
Москва: +7 (495) 134-29-44
СПб: +7 (812) 213-07-12
ALM-RD-S08-F-RMF — это взрывозащищенный бесконтактный считыватель ID-карт доступа формата Mifare. Произведен российской компанией ALEKO. Взрывозащитная маркировка 2Ex mc IIC T5 Gс X / Ex mс IIIC T80°C Dс X. Применяется в составе СКУД во взрывоопасных зонах классов 2 и 22.
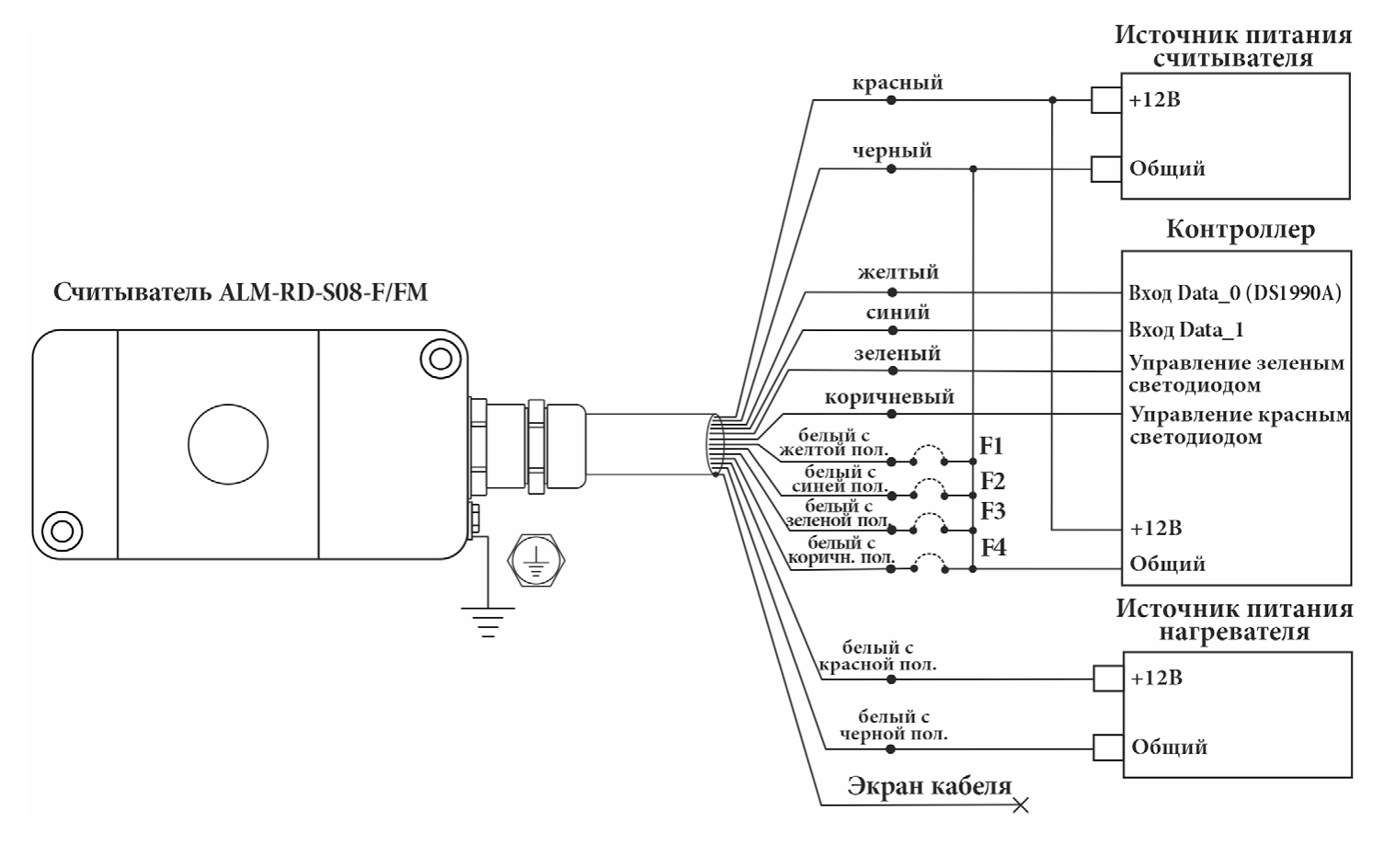
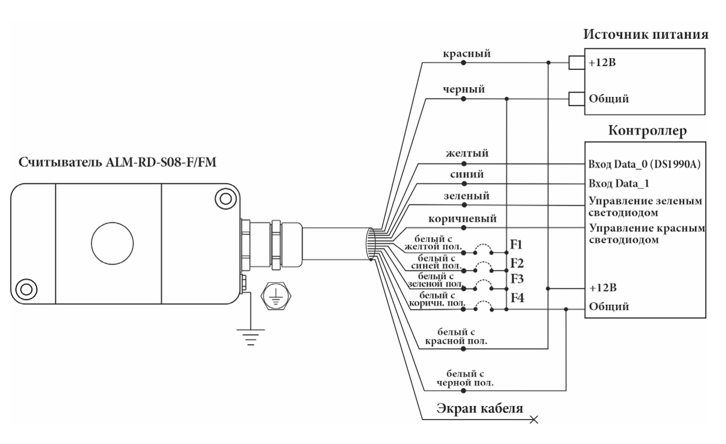
Рабочая частота 13 МГц, дальность считывания ID-карт составляет до 3-х см. Предусмотрена световая индикация - в режиме ожидания светодиод горит красным, а при срабатывании мигает зеленым светом. Считыватель работает под управлением контрольного устройства СКУД, поддерживаются интерфейсы подключения Wiegand 26/34/37/40/42/58, 1-Wire (DS1990A) и секторный режим. В качестве контроллера могут выступать приборы различных производителей, дальность размещения считывателя от контроллера зависит от интерфейса: при DS1990A = 15 метров, а с Wiegand - до 100 метров.
Модификация считывателей с литерой "F" в наименовании оснащена встроенным автоматическим обогревателем, который срабатывает в случае фиксации падения температуры окружающей среды ниже -15°С. Корпус имеет климатическое исполнение ХЛ1 согласно ГОСТ 15150-69 и надежно защищен от влаги и пыли на уровне IP67. Температура эксплуатации от -60°С до +45°С, допускается применение в условиях крайнего севера, в том числе на побережье Охотского и подобных ему морей.
Корпус считывателя ALM-RD-S08 выполнен из прочного и легкого материала «Армамид», габаритные размеры 103х52х42 мм, вес 0.7 кг. Питание от источника постоянного тока DC 12В. Подключение производится посредством присоединенного кабеля длиной 1 метр и герметичного кабельного ввода. Тип кабельного ввода определяются при заказе. К выбору доступны следующие варианты кабельных вводов - для открытой прокладки, для прокладки в металлорукаве МРПИ-15, для прокладки в трубе G 1/2" или для прокладки бронированного кабеля. Обращаем ваше внимание, что в случае выбора ввода для бронированного кабеля цена будет выше, чем указано в этой карточке.


| Тип устройства: | Взрывозащищенный считыватель идентификаторов Mifare |
| Взрывозащитная маркировка корпуса: | 2Ex mc IIC T5 Gс X / Ex mс IIIC T80°C Dс X; для зон классов 2 и 22 |
| Форматы идентификаторов: | Mifare |
| Рабочая частота: | 13 МГц |
| Интерфейсы: | Wiegand 26/34/37/40/42/58, 1-Wire (DS1990A) и секторный режим |
| Расстояние считывания: | До 3 см |
| Удаленность от контроллера СКУД: | DS1990A в пределах 15 м, Wiegand до 100 м. |
| Индикация: | Светодиод |
| Напряжение питания: | DC 12 В |
| Встроенный обогреватель: | + |
| Материал: | «Армамид» |
| Климатическое исполнение: | ХЛ1 |
| Степень защиты от влаги и пыли: | IP67 |
| Рабочие температуры: | от -60 до +45°C, допускается эксплуатация в условиях крайнего севера |
| Габаритные размеры: | 103х52х42 мм |
| Присоединенный кабель: | 1 метр, тип кабельного ввода определяется при заказе |
Полезные файлы
Дополнительно