Москва: +7 (495) 134-29-44
Санкт-Петербург: +7 (812) 213-07-12
Заказать звонок
МЕНЮКАТАЛОГ
ИНТЕРНЕТ-МАГАЗИН "СЕКТОР СБ" ПОСТАВКА СИСТЕМ БЕЗОПАСНОСТИ И СВЯЗИ
0Корзина пуста

VC-120R VOLTA Регулятор громкости 120 Вт с реле 24В

VC-120R Регулятор громкости 120 Вт с реле 24В
Регулятор громкости 120 Вт с реле 24В VC-120R
Регулятор громкости 120 Вт с реле 24В VC-120R
Регулятор громкости 120 Вт с реле 24В VC-120R
Регулятор громкости 120 Вт с реле 24В VC-120R
Артикул: sb29136
Производитель: VOLTA
Розничная цена:1 794 ₽/шт.
Оптовая цена:1 794 ₽/шт.

Доставка: по всей России (со склада в Москве или Санкт-Петербурге)

Задайте вопросы менеджеру:

Москва: +7 (495) 134-29-44

СПб: +7 (812) 213-07-12

VOLTA VC-120R – 10-позиционный регулятор громкости (аттенюатор) со встроенным реле принудительного отключения аттенюации DC 24В, рассчитанный на подключение трансляционной акустики суммарной мощностью до 120 Вт.

Устанавливается в разрыв цепи между звукоусилительным оборудованием и акустикой и позволяет выполнять гибкое местное регулирование громкости звучания в зоне. При этом, в случае пожара или другой аварийной ситуации, встроенное реле отключает аттенюацию (по управляющему сигналу) и тревожные сообщения транслируются на максимально доступной громкости даже если регулятор находился в положении Off.

Аттенюатор выполнен из качественного ABS-пластика серого цвета и предполагает настенное размещение врезным или накладным способом с применением соответствующих монтажных элементов.

Основные особенности и преимущества:

  • местное управление громкостью звучания акустики в зоне;
  • предназначен для работы в трансляционных линиях 100В;
  • максимальная нагрузка составляет 120 Вт;
  • 10 позиций регулирования громкости + положение Off (отключен);
  • встроенное реле принудительного отключения аттенюации по сигналу DC 24В;
  • компактный корпус из серого ABS-пластика;
  • крепление на стену врезным или накладным способом.

Подробное описание

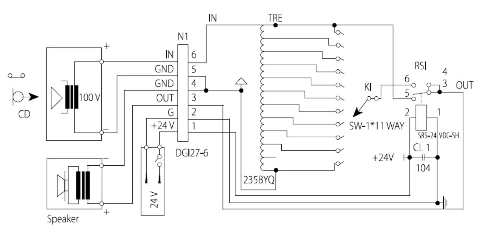
Схема подключения аттенюаторов VOLTA серия VC-R


Тип устройства трансформаторный регулятор громкости (аттенюатор)
Линии и акустика трансляционные, с напряжением 100В
Мощность 120 Вт
Количество положений 10 + 1 выкл.
Реле принудительного отключения 24В DC / 8 мА
Материал корпуса ABS-пластик
Цвет серый
Габаритные размеры 86х86х70 мм
Вес 180 г
Тип монтажа настенный, накладной или встраиваемый

Дополнительно

Накладная монтажная коробка
Накладной монтажный короб для регуляторов громкости. Внешние размеры 86х86х52 мм, вес 100 г. Совместимость - VC-30R, VC-60R, VC-120R. Белый цвет.
273 руб.
-+
В корзину
Врезная монтажная коробка
Встраиваемый монтажный короб для регуляторов громкости. Размеры: внутренние 68х70х50 мм, внешние 80х78х52 мм, вес 60 г. Совместимость - VC-30R, VC-60R, VC-120R.
273 руб.
-+
В корзину
Сменная лицевая панель для аттенюаторов VC-R
Сменная лицевая панель для изменения дизайна аттенюаторов VOLTA серии VC-R. Черный цвет. В комплекте панель, ручки регулировки громкости и декоративные заглушки для отверстий с креплениями. ABS-пластик, 86х86 мм.
195 руб.
-+
В корзину
Регулятор громкости 60 Вт с реле 24В
Настенный регулятор громкости для линий 100В с максимальной нагрузкой 60 Вт; 10 положений + 1 (выкл.); реле DC 24В/8мА для принудительного отключения аттенюации; корпус из серого ABS-пластика; 86х86х70 мм; 160 г.
1 482 руб.
-+
В корзину
Регулятор громкости 30 Вт с реле 24В
Настенный регулятор громкости для линий 100В с максимальной нагрузкой 30 Вт; 10 положений + 1 (выкл.); реле DC 24В/8мА для принудительного отключения аттенюации; корпус из серого ABS-пластика; 86х86х70 мм; 160 г.
1 326 руб.
-+
В корзину
Настенный трансляционный громкоговоритель с аттенюатором
Пассивный громкоговоритель для настенного монтажа. В составе один ШП-динамик 5". Воспроизводит акустический диапазон частот 130 Гц - 15 кГц, чувствительность 90 дБ, максимальный SPL 102 дБ, диаграмма направленности 120°. Работает в трансляционных линиях с напряжением 100В, мощность 0.75/1.5/3/6 Вт, выбирается подключением конкретного отвода трансформатора с помощью кабельного ввода. Аттенюатор для регулировки громкости. Корпус выполнен в классическом стиле из ABS-пластика, динамики защищает металлическая сетка. Размеры 269х166х70 мм, масса 1 кг. Монтаж в помещениях, крепление на винты. Белый цвет.
3 096 руб.
-+
В корзину
Коаксиальный потолочный громкоговоритель
Пассивный громкоговоритель для встраиваемого монтажа в потолок. Коаксиальный динамик 5", воспроизводит диапазон частот 90 Гц - 20 кГц, чувствительность 88 дБ, направленность 120°. Работает в трансляционных линиях, напряжение 100В, мощность 5/10/20 Вт. Требуемая мощность выбирается подключением конкретного отвода трансформатора посредством клемм. Корпус квадратной формы, выполнен из ABS-пластика, динамик защищает металлическая решетка. Размеры 190х190х80 мм, масса 1.3 кг. Монтаж в помещениях, монтажное отверстие 148х148 мм. Белый цвет.
3 094 руб.
-+
В корзину
Коаксиальный потолочный громкоговоритель
Пассивный громкоговоритель для встраиваемого монтажа в потолок. Коаксиальный динамик 8", воспроизводит диапазон частот 50 Гц - 20 кГц, чувствительность 89 дБ, направленность 120°. Работает в трансляционных линиях, напряжение 100В, мощность 10/20/40 Вт. Требуемая мощность выбирается подключением конкретного отвода трансформатора посредством клемм. Корпус квадратной формы, выполнен из ABS-пластика, динамик защищает металлическая решетка. Размеры 255х255х100 мм, масса 2.2 кг. Монтаж в помещениях, монтажное отверстие 225х225 мм. Белый цвет.
4 639 руб.
-+
В корзину
Регулятор громкости 120 Вт с реле 24В
Настенный регулятор громкости для линий 100В с максимальной нагрузкой 120 Вт; 10 положений + 1 (выкл.); реле DC 24В/8мА для принудительного отключения аттенюации; корпус из серого ABS-пластика; 86х86х70 мм; 180 г.
1 794 руб.
-+
В корзину
Двухполосный громкоговоритель для подвесных потолков
Пассивный громкоговоритель для встраиваемого монтажа в подвесной потолок. В составе два динамика: шелковый ВЧ-драйвер 1" + целлюлозный НЧ-диффузор 8". Воспроизводит акустический диапазон частот 50 Гц - 20 кГц, чувствительность 90 дБ. Универсальный, работает в трансляционных (100В) и низкоомных (8 Ом) линиях, мощность 40 Вт (8 Ом), 10/20/40 Вт (100В). Требуемая мощность выбирается подключением конкретного отвода трансформатора. Встроенный фильтр высокого порядка. Корпус выполнен из ABS-пластика, динамики защищает легкосъемная металлическая сетка на неодимовых магнитах. Размеры Ø 297 х 127 мм, масса 2.8 кг. Монтаж в помещениях, диаметр монтажного отверстия 260 мм. Белый цвет.
8 307 руб.
-+
В корзину
Потолочный громкоговоритель, 6 Вт
Пассивный потолочный громкоговоритель. Один ШП-динамик 5". Воспроизводит акустический диапазон частот 120 Гц - 16 кГц, чувствительность 88 дБ, макс. SPL 99 дБ. Работает в трансляционных линиях с напряжением 70/100В, мощность 0.75/1.5/3 Вт (70В), 1.5/3/6 Вт (100В). Требуемая мощность выбирается подключением конкретного отвода трансформатора. Корпус выполнен из пластика, динамики защищает металлическая сетка. Размеры Ø 175 х 60 мм, масса 500 г. Монтаж в помещениях, в потолок на пружинные крепления, диаметр монтажного отверстия 155 мм. Белый цвет. Продается упаковками, подробности при заказе.
По запросу
-+
В корзину
Двухполосный громкоговоритель для подвесных потолков
Пассивный громкоговоритель для встраиваемого монтажа в подвесной потолок. В составе два динамика: шелковый ВЧ-драйвер 1" + целлюлозный НЧ-диффузор 5". Воспроизводит акустический диапазон частот 95 Гц - 20 кГц, чувствительность 88 дБ. Универсальный, работает в трансляционных (100В) и низкоомных (8 Ом) линиях, мощность 20 Вт (8 Ом), 5/10/20 Вт (100В). Требуемая мощность выбирается подключением конкретного отвода трансформатора. Встроенный фильтр высокого порядка. Корпус выполнен из ABS-пластика, динамики защищает легкосъемная металлическая сетка на неодимовых магнитах. Размеры Ø 203 х 89 мм, масса 1.5 кг. Монтаж в помещениях, диаметр монтажного отверстия 170 мм. Черный цвет.
4 914 руб.
-+
В корзину
Двухполосный громкоговоритель для подвесных потолков
Пассивный громкоговоритель для встраиваемого монтажа в подвесной потолок. В составе два динамика: шелковый ВЧ-драйвер 1" + целлюлозный НЧ-диффузор 5". Воспроизводит акустический диапазон частот 95 Гц - 20 кГц, чувствительность 88 дБ. Универсальный, работает в трансляционных (100В) и низкоомных (8 Ом) линиях, мощность 20 Вт (8 Ом), 5/10/20 Вт (100В). Требуемая мощность выбирается подключением конкретного отвода трансформатора. Встроенный фильтр высокого порядка. Корпус выполнен из ABS-пластика, динамики защищает легкосъемная металлическая сетка на неодимовых магнитах. Размеры Ø 203 х 89 мм, масса 1.5 кг. Монтаж в помещениях, диаметр монтажного отверстия 170 мм. Белый цвет.
4 914 руб.
-+
В корзину
Двухполосный громкоговоритель для подвесных потолков
Пассивный громкоговоритель для встраиваемого монтажа в подвесной потолок. В составе два динамика: шелковый ВЧ-драйвер 1" + целлюлозный НЧ-диффузор 6". Воспроизводит акустический диапазон частот 60 Гц - 20 кГц, чувствительность 89 дБ. Универсальный, работает в трансляционных (100В) и низкоомных (8 Ом) линиях, мощность 30 Вт (8 Ом), 7.5/15/30 Вт (100В). Требуемая мощность выбирается подключением конкретного отвода трансформатора. Встроенный фильтр высокого порядка. Корпус выполнен из ABS-пластика, динамики защищает легкосъемная металлическая сетка на неодимовых магнитах. Размеры Ø 237 х 98 мм, масса 1.9 кг. Монтаж в помещениях, диаметр монтажного отверстия 210 мм. Черный цвет.
5 616 руб.
-+
В корзину

Мы ценим вашу конфиденциальность

Мы используем файлы cookie, чтобы улучшить работу сайта, показывать персонализированную рекламу или контент и анализировать посещаемость. Продолжая использовать сайт, вы соглашаетесь на использование файлов cookie. Политика использования файлов cookie