© 2026 ООО «ЮНИТРЕКС»
Все права защищены
Каталог товаров
Доставка: по всей России (со склада в Москве или Санкт-Петербурге)
Задайте вопросы менеджеру:
Москва: +7 (495) 134-29-44
СПб: +7 (812) 213-07-12
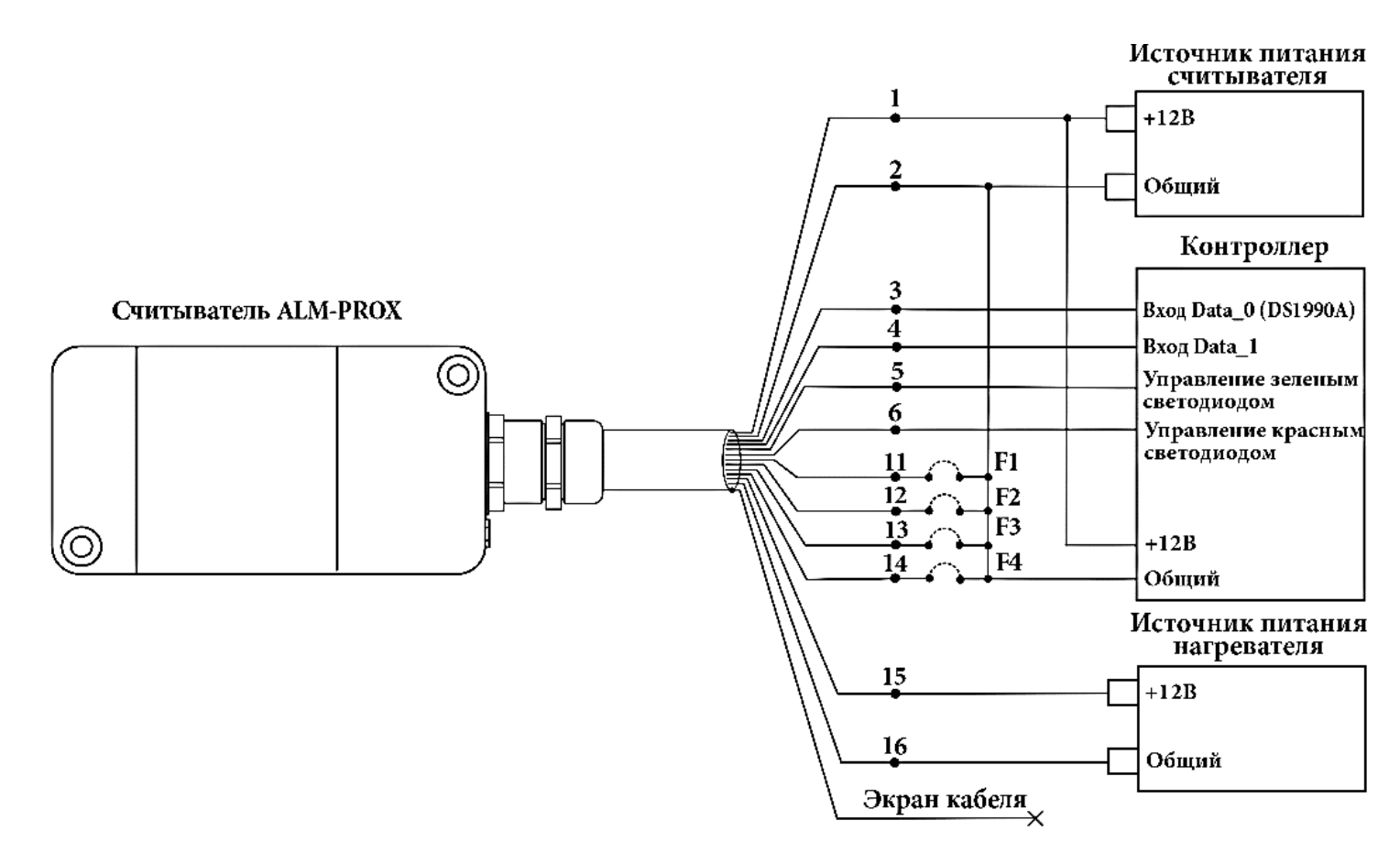
ALM-PROX-125-M — это холодостойкий бесконтактный считыватель ID-карт доступа производства российской компании ALEKO. Поддерживает форматы EM-Marin, HID, Indala. Для промышленных условий.
Рабочая частота 125 кГц, дальность считывания ID-карт составляет до 3-х см. Предусмотрена световая индикация - в режиме ожидания светодиод горит красным, а при срабатывании мигает зеленым светом. Считыватель работает под управлением контрольного устройства СКУД, поддерживаются интерфейсы обмена данными Wiegand 26/34/37/40/42, 1-Wire (DS1990A) и Авто (Wiegand). В качестве контроллера могут выступать приборы различных производителей, дальность размещения считывателя от контроллера зависит от интерфейса: при DS1990A = 15 метров, а с Wiegand - до 100 метров.
Считыватель оснащен встроенным автоматическим обогревателем, который срабатывает в случае фиксации падения температуры окружающей среды ниже -15°С. Корпус имеет климатическое исполнение ХЛ1 согласно ГОСТ 15150-69 и надежно защищен от влаги и пыли на уровне IP67. Температура эксплуатации от -60°С до +40°С, допускается применение в условиях крайнего севера, в том числе на побережье Охотского и подобных ему морей.
Корпус считывателя ALM-PROX-125-M выполнен из прочного и легкого материала «Армамид», габаритные размеры 103х52х42 мм, вес 0.5 кг. Питание от источника постоянного тока DC 12В. Подключение производится посредством присоединенного кабеля длиной 2 метра с герметичным кабельным вводом для последующей прокладки кабеля в металлорукаве МРПИ-15.


| Тип устройства: | Холодостойкий считыватель идентификаторов |
| Форматы идентификаторов: | EM-Marin, HID, Indala |
| Рабочая частота: | 125 кГц |
| Интерфейсы: | Wiegand 26/34/37/40/42, 1-Wire (DS1990A) и Авто (Wiegand) |
| Расстояние считывания: | До 3 см |
| Удаленность от контроллера СКУД: | DS1990A в пределах 15 м, Wiegand до 100 м. |
| Индикация: | Светодиод |
| Напряжение питания: | DC 12 В |
| Встроенный обогреватель: | + |
| Материал: | «Армамид» |
| Климатическое исполнение: | ХЛ1 |
| Степень защиты от влаги и пыли: | IP67 |
| Рабочие температуры: | От -60 до +40°C, допускается эксплуатация в условиях крайнего севера |
| Габаритные размеры: | 103х52х42 мм |
| Присоединенный кабель: | 2 метра |
| Кабельный ввод: | Герметичный, для прокладки кабеля в металлорукаве МРПИ-15 |
Полезные файлы
Дополнительно